Презентация, доклад Приборы безопасности в кабине электровоза 2эс5к

Содержание

Тема урока АЛСН- АВТОМАТИЧЕСКАЯ ЛОКОМОТИВНАЯ СИГНАЛИЗАЦИЯ НЕПРЕРЫВНОГО ДЕЙСТВИЯ.

Слайд 1Приборы безопасности на локомотивах железнодорожного транспорта.

Приборы безопасности на локомотивах железнодорожного транспорта.

Слайд 5Тема урока
АЛСН- АВТОМАТИЧЕСКАЯ ЛОКОМОТИВНАЯ СИГНАЛИЗАЦИЯ НЕПРЕРЫВНОГО ДЕЙСТВИЯ.

Тема урока АЛСН- АВТОМАТИЧЕСКАЯ ЛОКОМОТИВНАЯ СИГНАЛИЗАЦИЯ НЕПРЕРЫВНОГО ДЕЙСТВИЯ.

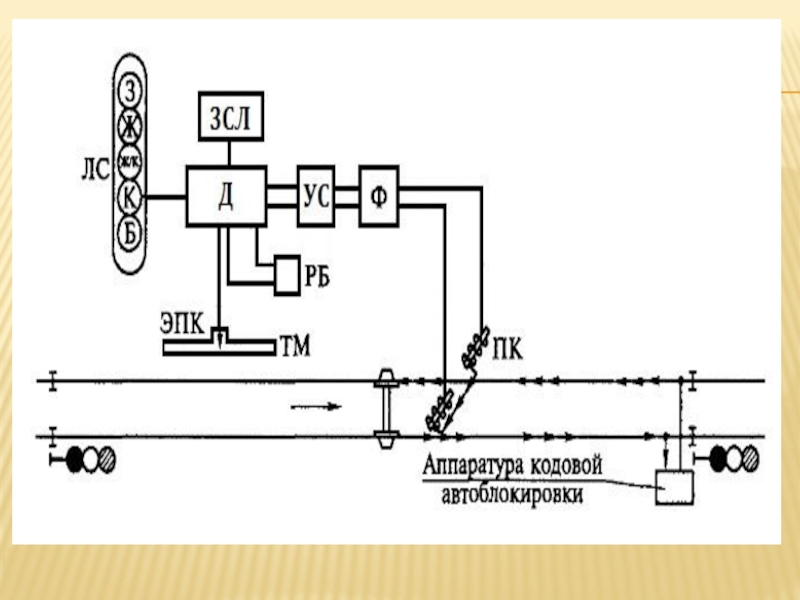
Слайд 11Приемные катушки.

Приемные катушки.

Слайд 12Приемная катушка АЛСН

Приемная катушка АЛСН

Слайд 13Фильтр локомотивный

Фильтр локомотивный

Слайд 14Кодовый усилитель

Кодовый усилитель

Слайд 15Дешифратор

Дешифратор

Слайд 16Электропневматический клапан автостопа ЭПК-150

Электропневматический клапан автостопа ЭПК-150

Слайд 17ТЕМА УРОКА
САУТ-ЦТ - СИСТЕМА АВТОМАТИЧЕСКОГО УПРАВЛЕНИЯ ТОРМОЗАМИ.
Повышение безопасности движения.
Увеличение

пропускной способности
железнодорожных участков.
Улучшение условий труда
локомотивных бригад.
ТЕМА УРОКА САУТ-ЦТ - СИСТЕМА АВТОМАТИЧЕСКОГО УПРАВЛЕНИЯ ТОРМОЗАМИ.Повышение безопасности движения. Увеличение пропускной способности  железнодорожных участков. Улучшение

Слайд 19Локомотивное устройство САУТ формирует программную скорость так, чтобы предотвратить превышение скорости

и проезд запрещающего сигнала.

Vпр

S

Постоянная программная скорость

Снижающаяся программная скорость

Локомотивное устройство САУТ формирует программную скорость так, чтобы предотвратить превышение скорости и проезд запрещающего сигнала.VпрSПостоянная программная скоростьСнижающаяся

Слайд 20Чтобы обеспечить остановку поезда перед запрещающим сигналом, на локомотив передается информация

о текущем блок-участке или перегоне

Путевые устройства САУТ-Ц

САУТ-Ц

Предвходные

Входные

Маршрутные

Чтобы обеспечить остановку поезда перед запрещающим сигналом, на локомотив передается информация о текущем блок-участке или перегонеПутевые устройства

Слайд 21Для передачи информации от путевого устройства САУТ на локомотив используется явление

электромагнитной индукции.


F, КГц

19

31

0

Uвых

Частоты АЛСН

Частоты САУТ

Радио-частоты

Антенна информирует САУТ о наличии в рельсе под ней переменного тока частотой 19,6; 27 или 31 КГц.

Для передачи информации от путевого устройства САУТ на локомотив используется явление электромагнитной индукции. F, КГц19310UвыхЧастоты АЛСНЧастоты САУТРадио-частотыАнтенна

Слайд 22

















К1 - реле, устанавливающее зависимость длины шлейфа |bc| от установленной скорости.

Связано с показаниями входного (маршрутного) светофора. Если зеленый - то включается более длинный шлейф |bc2|.

К2 - реле, устанавливающее зависимость длины шлейфа |ad| от длины пути приема.

Lbc = 0,0722*Vогр.

Подключение путевых генераторов 31 КГц и 27 КГц к рельсовой цепи у входного или маршрутного светофора

27 кГц

31 кГц

a

b

с1

d1

S1

50м

с2

d2

К1

К2

К1 - реле, устанавливающее зависимость длины шлейфа |bc| от установленной скорости. Связано с показаниями входного (маршрутного) светофора.

Слайд 23Путевое устройство САУТ-Ц.
вых
a
S1
75м
d
S1- расстояние от путевого устройства САУТ-Ц до первого проходного

светофора.
М – модулятор (прерыватель), формирующий код ОФМ.

Кодом ОФМ передается номер перегона, который соответствует номеру этого же перегона в базе данных. а так же тип светофора (выходной, предвходной, входной, маршрутный, выходной), номер генератора на станции, номер кодовой посылки (аналог шлейфа).

Н1

Длина шлейфа |ad| - фиксированная и не зависит от расстояния до светофора.
Путевые генераторы САУТ-ЦМ могут быть установлены у любого напольного светофора ( предвходного, входного, маршрутного, выходного)

Путевое устройство САУТ-Ц.выхaS175мdS1- расстояние от путевого устройства САУТ-Ц до первого проходного светофора.М – модулятор (прерыватель), формирующий код

Слайд 24Сигнал, передаваемый путевым устройством САУТ-Ц. (код ОФМ)
I
t, мc
0
1
1
1
0
1
1
0
1
0
1011101010 – номер

перегона в двоичной системе.
Один из способов кодирования чисел – сделать переменный ток в рельсовой цепи прерывистым.
Время передачи делится на одинаковые промежутки времени. Если в течение следующего промежутка сигнал не изменяется (например, не прервался), то это соответствует 0, а если изменился, то 1
Сигнал, передаваемый путевым устройством САУТ-Ц. (код ОФМ)It, мc01 11 0110101011101010 – номер перегона в двоичной системе.Один из

Слайд 25Путевая точка САУТ-Ц (фото)

Путевая точка САУТ-Ц (фото)

Слайд 26Размещение генератора в путевом ящике

Размещение генератора в путевом ящике

Слайд 27Саут ПОЛУЧАЕТ СИГНАЛЫ ОТ:
Путевых устройств САУТ,
Локомотивных устройств АЛСН

(КЛУБ),
Датчиков пути и скорости,
Цепей управления локомотива,
Кнопок пульта управления САУТ,
Датчиков давления.
Саут  ПОЛУЧАЕТ СИГНАЛЫ ОТ:Путевых устройств САУТ, Локомотивных устройств АЛСН (КЛУБ), Датчиков пути и скорости, Цепей управления

Слайд 28САУТ ВОЗДЕЙСТВУЕТ НА:
ЭПК,
Кран машиниста,
Цепи управления локомотива.

САУТ ВЫДАЕТ ИНФОРМАЦИЮ НА:
Динамик,
Пульт машиниста,
Скоростемерную ленту,
Устройства КЛУБ-У.

САУТ  ВОЗДЕЙСТВУЕТ НА:ЭПК, Кран машиниста, Цепи управления локомотива.        САУТ

Слайд 29САУТ
(локомотивное устройство)
Путевые устройства САУТ
Цепи управления локомотива
Автотормоза поезда
Локомотивная аппаратура АЛСН
САУТ взаимодействует с

АЛСН (КЛУБ), автотормозами поезда, цепями управления локомотива.

Путевые устройства АЛСН

САУТ(локомотивное устройство)Путевые устройства САУТЦепи управления локомотиваАвтотормоза поездаЛокомотивная аппаратура АЛСНСАУТ взаимодействует с АЛСН (КЛУБ), автотормозами поезда, цепями управления

Слайд 30 ОСНОВНЫЕ ФУНКЦИИ САУТ
Принимает

сигналы от путевых устройств САУТ;
Принимает сигналы от датчиков ДПС-У;
Вычисляет максимально допустимую скорость по алгоритмам прицельного торможения;
Контролирует максимально допустимые скорости на участке движения;
При превышении траекторий безопасности движения воздействует на тормозные устройства поезда;
Останавливает поезд перед светофором с запрещающим показанием;
Контролирует бдительность машиниста посредством синтезатора речи. ДПС-
ОСНОВНЫЕ ФУНКЦИИ САУТ Принимает сигналы от путевых устройств САУТ; Принимает

Слайд 31Блоки локомотивной аппаратуры САУТ-ЦМ/485

Блоки локомотивной аппаратуры САУТ-ЦМ/485

Слайд 32Антенна Ан-САУТ-УМ
Назначение:
преобразует электромагнитное
поле, созданное
путевыми устройствами САУТ
в переменное напряжение


соответствующих частот
19,6 КГц, 23 КГц,
27 КГц, 31 КГц
Антенна Ан-САУТ-УМНазначение:преобразует электромагнитное поле, созданное путевыми устройствами САУТ в переменное напряжение соответствующих частот 19,6 КГц, 23 КГц,

Слайд 33Антенна Ан-САУТ-УМ
Устройство:
Магнитопроницаемый корпус,
•Кронштейны,
•Ферритовый сердечник,
•Рабочая обмотка,
•Контрольная обмотка,
•Двухканальный

блок усилителя,
•Разъем Х1.
Место установки – правая
приемная катушка АЛСН


Антенна Ан-САУТ-УМУстройство:Магнитопроницаемый корпус, •Кронштейны, •Ферритовый сердечник, •Рабочая обмотка, •Контрольная обмотка, •Двухканальный блок усилителя, •Разъем Х1. Место установки

Слайд 34Принцип действия:
В резонансном контуре под воздействием электромагнитного поля шлейфа формируется напряжение

соответствующей частоты, которое через дифференцирующие цепи поступает на входы усилителей. Каждый усилитель обеспечивает десятикратное усиление сигнала. С выходов усилителей сигнал поступает на контакты соединители.
Принцип действия:В резонансном контуре под воздействием электромагнитного поля шлейфа формируется напряжение соответствующей частоты, которое через дифференцирующие цепи

Слайд 35Датчик угла поворота Л178/1.

Датчик угла поворота Л178/1.

Слайд 37НАЗНАЧЕНИЕ:
Датчик угла поворота универсальный ДПС - У предназначен для преобразования угла

поворота оси колёсной пары в пропорциональное количество импульсов, используемых в измерительных системах, контролирующих направление движения, пройденный путь, скорость и ускорение подвижного состава железнодорожного транспорта при скорости вращения оси диска до 2122об /мин (до 340 км / ч).
НАЗНАЧЕНИЕ:Датчик угла поворота универсальный ДПС - У предназначен для преобразования угла поворота оси колёсной пары в пропорциональное

Слайд 38Блоки связи БС-ДПС

назначение:

передает импульсы с двух датчиков угла поворота двум (пяти) системам-потребителям.
• передает по кодовой линии связи RS-485 информации о пройденном пути, текущей скорости и ускорению.
• Обеспечивает гальваническую развязку между системами-потребителями и ДПС.
• контролирует работоспособность ДПС.
• Выдает сигнал «Исправность» по каждому каналу и сигнал «Исправность» для систем потребителей.
• Сохраняет информацию о состоянии ДПС после выключения САУТ.
• Позволяет сбросить информацию

Блоки связи БС-ДПС            назначение:передает импульсы с

Слайд 39БС-ДПС-БЗС
• Для микропроцессорной системы управления локомотивом (МСУЛ) блок БС-ДПС-БЗС обеспечивает

передачу информации от четырех ДПС-У о наличии боксования или юза соответствующей колесной пары (из четырех) секции электровоза.
• Одновременно, от ДПС-У, установленных на буксы третьей и четвертой колесных пары, БС-ДПС-БЗС обеспечивают передачу информации о скорости движения в САУТ
БС-ДПС-БЗС  • Для микропроцессорной системы управления локомотивом (МСУЛ) блок БС-ДПС-БЗС обеспечивает передачу информации от четырех ДПС-У

Слайд 40НАЗНАЧЕНИЕ БЭК-САУТ-ЦМ/485
Формирует управляющие команды на основании полученной информации, базы данных путевых

параметров и параметров локомотива;
Регистрирует в энергонезависимой памяти сигналы, возникающие в процессе работы системы.
Питает блоки системы САУТ-ЦМ/485 напряжениями +15 В и +50 В;
Организует обмен данными между блоками системы по последовательному каналу в стандарте RS485;
Вводит в систему сигналы от ДПС и состояние цепей
управления локомотива
НАЗНАЧЕНИЕ БЭК-САУТ-ЦМ/485Формирует управляющие команды на основании полученной информации, базы данных путевых параметров и параметров локомотива;Регистрирует в энергонезависимой

Слайд 41Блок согласования БС-АЛС

НАЗНАЧЕНИЕ
• Обработка сигналов, вырабатываемых локомотивной аппаратурой АЛСН (КЛУБ);
•Передача обработанных сигналов в локомотивную аппаратуру САУТ-ЦМ через
линию связи , выполненную по стандарту RS-485/
Блок согласования БС-АЛС           НАЗНАЧЕНИЕ• Обработка сигналов, вырабатываемых

Слайд 42блок согласования БС-ЦКР

НАЗНАЧЕНИЕ:
• Приём дискретных сигналов с
центральной клеммовой рейки
• Приём сигналов с датчиков давления.
• Питание датчиков давления.
• Передача обработанных сигналов в локомотивную аппаратуру САУТ-ЦМ через
линию связи , выполненную по стандарту RS-48
блок согласования БС-ЦКР             НАЗНАЧЕНИЕ:• Приём

Слайд 43Пульт машиниста ПМ4-САУТ-ЦМ/485 предназначен для индикации измеряемых и вычисляемых ппаратурой САУТ-ЦМ

величин.
Пульт машиниста ПМ4-САУТ-ЦМ/485  предназначен для индикации измеряемых и вычисляемых ппаратурой САУТ-ЦМ величин.

Слайд 44технические данные:
Напряжение питания 50±5 В;
Индицируемое расстояние до точки прицельной

остановки (S) не более 9999 м;
Дискретность отображения расстояния (S) 10 м;
Индицируемая фактическая скорость Vф не более 255 км/ч;
Дискретность отображения фактической скорости Vф 1 км/ч;
Индицируемая допустимая скорость Vдоп не более 255 км/ч;
Дискретность отображения допустимой скорости Vдоп 1 км/ч;

технические данные:  Напряжение питания 50±5 В; Индицируемое расстояние до точки прицельной остановки (S) не более 9999

Слайд 45Пульт управления ПУ-САУТ-ЦМ/485

Назначение
Формирует управляющие сигналы, задаваемые машинистом:
«ОТПРАВЛЕНИЕ»;
«ПОДТЯГИВАНИЕ»;
«ОТМЕНА ОГРАНИЧЕНИЯ СКОРОСТИ»;
«ПРОЕЗД ЗАПРЕЩАЮЩЕГО СИГНАЛА
СОГЛАСНО ПТЭ п.16.27»;
Формирует напряжения
питания антенны +15В и –15В
Пульт управления ПУ-САУТ-ЦМ/485

Слайд 47Принимает и обрабатывает информацию с антенны;
Питает датчики давления в Уравнительном резервуаре;
Принимает

сигналы с датчиков давления в УР;
Передаёт полученные сигналы в
линию связи RS-485
Принимает и обрабатывает информацию с антенны;Питает датчики давления в Уравнительном резервуаре;Принимает сигналы с датчиков давления в УР;Передаёт

Слайд 49ТЕМА УРОКА
КЛУБ-У - КОМПЛЕКСНОЕ ЛОКОМОТИВНОЕ УПРАВЛЕНИЯ БЕЗОПАСНОСТЬЮ.

ТЕМА УРОКА КЛУБ-У - КОМПЛЕКСНОЕ ЛОКОМОТИВНОЕ УПРАВЛЕНИЯ БЕЗОПАСНОСТЬЮ.

Слайд 50Кабина «скиф»

Кабина «скиф»

Слайд 59

Блок БВД-У

Слайд 62Датчик угла поворота Л178/1.

Датчик угла поворота Л178/1.

Слайд 63Датчики давления КЛУБ-у

Датчики давления КЛУБ-у

Слайд 64ТЕМА УРОКА
Cистема ТСКБМ предназначена для контроля и индикации уровня бодрствования

машиниста по условной шкале, а также приведения в действие механизма экстренного торможения при снижении уровня бодрствования ниже некоторого критического
ТЕМА УРОКА Cистема ТСКБМ предназначена для контроля и индикации уровня бодрствования машиниста по условной шкале, а также

Слайд 66Приемник системы ТСКБМ

Приемник системы ТСКБМ

Слайд 69ТЕМА УРОКА
КПД-3 Комплекс средств сбора и регистрации данных предназначен

для сбора, измерения, и регистрации параметров движения локомотивов и мотор-вагонного подвижного состава.
ТЕМА УРОКА КПД-3  Комплекс средств сбора и регистрации данных предназначен для сбора, измерения, и регистрации параметров

Слайд 71ТЕМА УРОКА - МСУД-Н
Микропроцессорная система управления и диагностики электрооборудования электровоза

предназначена для управления тяговым электроприводом (индивидуально по ВИПам) и электрическими аппаратами пассажирских электровозов типа ЭП1М, ЭП1П, одно-, двух-, трехсекционных магистральных грузовых электровозов переменного тока с коллекторными тяговыми двигателями типа Э5К, 2ЭС5К.

ТЕМА УРОКА - МСУД-Н Микропроцессорная система управления и диагностики электрооборудования электровоза предназначена для управления тяговым электроприводом (индивидуально

Слайд 73Дисплей МСУД-Н

Дисплей МСУД-Н

Слайд 74Внешний вид БИ типа ВС3741 и ВС3742

Внешний вид БИ типа ВС3741 и ВС3742

Слайд 75Структура отображения информации на блоке индикации

Структура отображения информации на блоке индикации

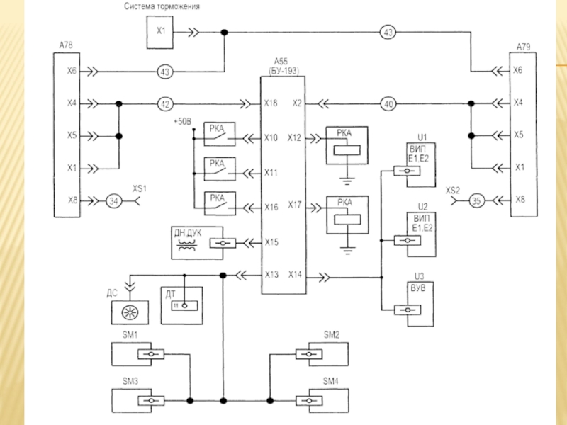
Слайд 76Общий вид блока управления БУ-193-02 со снятой крышкой

Общий вид блока управления БУ-193-02 со снятой крышкой

Слайд 77Типовая конструкция съемного блока из состава БУ-193-02

Типовая конструкция съемного блока из состава БУ-193-02

Слайд 78Внешний вид съемного блока БВВ-057

Внешний вид съемного блока БВВ-057

Слайд 79Внешний вид съемного блока БП-060

Внешний вид съемного блока БП-060

Слайд 80Конструкция съемного блока БО-003

Конструкция съемного блока БО-003

Слайд 84Схема электрическая принципиальная подключения КМЭ к блоку БУ-193-02

Схема электрическая принципиальная подключения КМЭ к блоку БУ-193-02

Слайд 87Тема Урока
Пожарная сигнализация на электровозах.

Тема Урока Пожарная сигнализация на электровозах.

Слайд 90Система пожаротушения

Система пожаротушения

Слайд 93 «Понаб» прибор обнаружение нагретой аварийной буксы.

«Понаб» прибор обнаружение нагретой аварийной буксы.

Что такое shareslide.ru?

Это сайт презентаций, где можно хранить и обмениваться своими презентациями, докладами, проектами, шаблонами в формате PowerPoint с другими пользователями. Мы помогаем школьникам, студентам, учителям, преподавателям хранить и обмениваться учебными материалами.


Для правообладателей

Яндекс.Метрика

Обратная связь

Email: Нажмите что бы посмотреть