Презентация, доклад по УРЭ раздел приборы безопасности

Содержание

Тема урока АЛСН- АВТОМАТИЧЕСКАЯ ЛОКОМОТИВНАЯ СИГНАЛИЗАЦИЯ НЕПРЕРЫВНОГО ДЕЙСТВИЯ.

Слайд 1Приборы безопасности на локомотивах железнодорожного транспорта.

Приборы безопасности на локомотивах железнодорожного транспорта.

Слайд 2Тема урока
АЛСН- АВТОМАТИЧЕСКАЯ ЛОКОМОТИВНАЯ СИГНАЛИЗАЦИЯ НЕПРЕРЫВНОГО ДЕЙСТВИЯ.

Тема урока АЛСН- АВТОМАТИЧЕСКАЯ ЛОКОМОТИВНАЯ СИГНАЛИЗАЦИЯ НЕПРЕРЫВНОГО ДЕЙСТВИЯ.

Слайд 7Приемные катушки.

Приемные катушки.

Слайд 8ТЕМА УРОКА
САУТ-ЦТ - СИСТЕМА АВТОМАТИЧЕСКОГО УПРАВЛЕНИЯ ТОРМОЗАМИ.

ТЕМА УРОКА САУТ-ЦТ - СИСТЕМА АВТОМАТИЧЕСКОГО УПРАВЛЕНИЯ ТОРМОЗАМИ.

Слайд 13ТЕМА УРОКА
КЛУБ-У - КОМПЛЕКСНОЕ ЛОКОМОТИВНОЕ УПРАВЛЕНИЯ БЕЗОПАСНОСТЬЮ.

ТЕМА УРОКА КЛУБ-У - КОМПЛЕКСНОЕ ЛОКОМОТИВНОЕ УПРАВЛЕНИЯ БЕЗОПАСНОСТЬЮ.

Слайд 22

Блок БВД-У

Слайд 25Датчик угла поворота Л178/1.

Датчик угла поворота Л178/1.

Слайд 26Датчики давления КЛУБ-у

Датчики давления КЛУБ-у

Слайд 27ТЕМА УРОКА
Cистема ТСКБМ предназначена для контроля и индикации уровня бодрствования

машиниста по условной шкале, а также приведения в действие механизма экстренного торможения при снижении уровня бодрствования ниже некоторого критического
ТЕМА УРОКА Cистема ТСКБМ предназначена для контроля и индикации уровня бодрствования машиниста по условной шкале, а также

Слайд 29Приемник системы ТСКБМ

Приемник системы ТСКБМ

Слайд 30ТЕМА УРОКА
КПД-3 Комплекс средств сбора и регистрации данных предназначен

для сбора, измерения, и регистрации параметров движения локомотивов и мотор-вагонного подвижного состава.
ТЕМА УРОКА КПД-3  Комплекс средств сбора и регистрации данных предназначен для сбора, измерения, и регистрации параметров

Слайд 32ТЕМА УРОКА - МСУД-Н
Микропроцессорная система управления и диагностики электрооборудования электровоза

предназначена для управления тяговым электроприводом (индивидуально по ВИПам) и электрическими аппаратами пассажирских электровозов типа ЭП1М, ЭП1П, одно-, двух-, трехсекционных магистральных грузовых электровозов переменного тока с коллекторными тяговыми двигателями типа Э5К, 2ЭС5К.

ТЕМА УРОКА - МСУД-Н Микропроцессорная система управления и диагностики электрооборудования электровоза предназначена для управления тяговым электроприводом (индивидуально

Слайд 34Дисплей МСУД-Н

Дисплей МСУД-Н

Слайд 36Структура отображения информации на блоке индикации

Структура отображения информации на блоке индикации

Слайд 37Общий вид блока управления БУ-193-02 со снятой крышкой

Общий вид блока управления БУ-193-02 со снятой крышкой

Слайд 38Типовая конструкция съемного блока из состава БУ-193-02

Типовая конструкция съемного блока из состава БУ-193-02

Слайд 39Внешний вид съемного блока БВВ-057

Внешний вид съемного блока БВВ-057

Слайд 40Внешний вид съемного блока БП-060

Внешний вид съемного блока БП-060

Слайд 41Конструкция съемного блока БО-003

Конструкция съемного блока БО-003

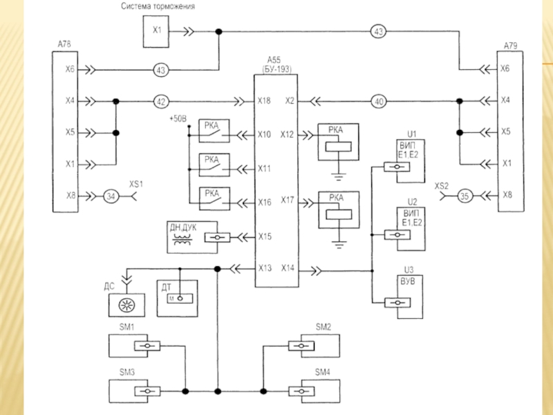
Слайд 45Схема электрическая принципиальная подключения КМЭ к блоку БУ-193-02

Схема электрическая принципиальная подключения КМЭ к блоку БУ-193-02

Слайд 48Тема Урока
Пожарная сигнализация на электровозах.

Тема Урока Пожарная сигнализация на электровозах.

Слайд 51Система пожаротушения

Система пожаротушения

Слайд 54 «Понаб» прибор обнаружение нагретой аварийной буксы.

«Понаб» прибор обнаружение нагретой аварийной буксы.

Что такое shareslide.ru?

Это сайт презентаций, где можно хранить и обмениваться своими презентациями, докладами, проектами, шаблонами в формате PowerPoint с другими пользователями. Мы помогаем школьникам, студентам, учителям, преподавателям хранить и обмениваться учебными материалами.


Для правообладателей

Яндекс.Метрика

Обратная связь

Email: Нажмите что бы посмотреть